Click for more products.
No products were found.

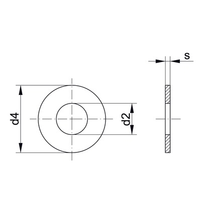
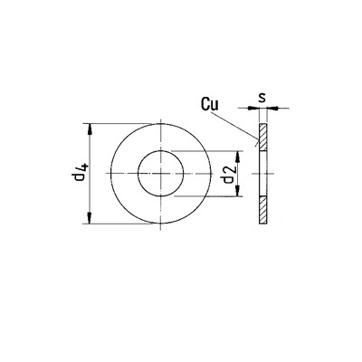
واشر بی متال

واشر بی متال یکی از قطعات پر مصرف در صنعت برق است. حساسیت تولیدی این محثول به میزان دقیق آلیاژ و نحوه تولید بستگی دارد


Read moreShow less

ارتباط مستقیم با تأمین کننده های این محصول

نام تأمین کننده شماره تماس
سجاد 09138394929
ماهیانه با مبلغ
299 هزار تومان

شماره تماس خود را جهت نمایش در این محصول ثبت کنید.
شناسه یکتای محصول: 237
نشان کردن0
توضیحات

برای تولید واشربی متال از مس و آلومینیوم، دو فلزی برای کاهش خوردگی گالوانیکی بین قطعات فلزی با ماهیت های مختلف استفاده می شود ه باعث کاهش اثر پدیده خوردگی می شود. تماس بین موادی مانند فولاد/مس، آلومینیوم/مس یا روی/مس یک واکنش الکتروشیمیایی ایجاد می‌کند که منجر به خوردگی الکترولیتی می‌شود.
واشرهای دو فلزی که بین گیره زمین/تعادل پتانسیل قرار می گیرند، مانند گیره های زمین، نگهدارنده کابل یا نوارهای ارت انعطاف پذیر، و سطح فولادی که روی آن نصب می شوند، اثر خوردگی را کاهش می دهند و در عین حال یک تداوم الکتریکی را ایجاد می کنند. طرف آلومینیومی واشر در تماس با طرف قاب فولادی نصب می شود، طرف مسی در تماس با گیره ای که معمولاً از مس یا آلیاژ مس مانند برنج ساخته می شود نصب می شود.

Read moreShow less
جزئیات محصول

مشخصات

عنوان کالا
واشر بی متال
ماده سازنده
مس-آلومینیوم
صنعت
برق
راهنمای تامین کننده ها

اگر می‌خواهید خریداران راحت‌تر و مستقیم‌تر با شما تماس بگیرند، در سایت «مدیر خرید» دو روش ساده و کاربردی برای درج شماره تماس وجود دارد:


✅ روش اول: ثبت رایگان

در این روش کافیست یک حساب کاربری ایجاد کنید و محصولات خود را به‌صورت رایگان ثبت نمایید. هنگام ثبت محصول، می‌توانید شماره تماس خود را نیز وارد کنید تا خریداران به‌راحتی با شما ارتباط بگیرند.

مزیت ها:

  • بدون نیاز به پرداخت هزینه
  • ثبت سریع و آسان محصولات
  • مناسب برای تست بازار و معرفی اولیه
  • امکان درج شماره تماس برای چندین محصول
  • کنترل و ویرایش مستقیم توسط خود تأمین‌کننده در هر زمان

معایب :

  • تولید محتوا برای سئو باید توسط شما انجام شود
  • انتظار طولانی برای ثبت شدن در صفحه اول گوگل
  • ریسک نیامدن در صفحه اول گوگل

برای ثبت رایگان محصول خود در مدیر خرید میتوانید از لینک زیر استفاده کنید

ثبت رایگان محصول

روش دوم: نمایش شماره با پرداخت ماهانه

برای برخی محصولات پُرجستجو، صفحات اختصاصی در «مدیر خرید» ایجاد شده که در جایگاه‌های بالای نتایج گوگل قرار دارند. اگر زمان یا فرصت ثبت محصول ندارید، می‌توانید شماره تماس خود را با هزینه‌ای اندک در این صفحات پربازدید درج کنید تا مستقیماً مشتریان با شما تماس بگیرند.

هزینه: ماهانه با تعرفه مقرون‌به‌صرفه برای محصولات مختلف متفاوت هست و در هر صفحه هزینه همان صفحه درج شده است.

مزیت ها:

  • نمایش شماره در صفحات با رتبه بالا در گوگل
  • بدون نیاز به ثبت و مدیریت محصول
  • ایده‌آل برای تأمین‌کنندگانی با وقت یا منابع محدود
  • جذب مستقیم مشتریان واقعی و هدفمند
  • قابلیت بررسی بودن در صفحه یک قبل از ثبت شماره توسط شما
  • عدم نیاز به تخصص در سئو

چطور بهترین صفحه را برای درج شماره انتخاب کنیم؟

برای اینکه بیشترین بازدهی را از درج شماره تماس خود داشته باشید:

  1. کلمه کلیدی مربوط به محصول خود را در گوگل جستجو کنید.
    مثلاً:

    خرید واشر بی متال
    این عبارت به طور مستقیم با نیت خرید کاربران مرتبط است. وقتی کاربران قصد دارند محصولی را بخرند، معمولاً عباراتی مانند «خرید واشر بی متال» را جستجو می‌کنند.


    قیمت واشر بی متال
    عبارت «قیمت واشر بی متال» یکی از پرجستجوترین کلمات کلیدی توسط کاربران آگاه به قیمت است. بسیاری از کاربران قبل از خرید به دنبال مقایسه قیمت‌ها و پیدا کردن بهترین گزینه می‌گردند.


    فروش واشر بی متال
    کلمه «فروش واشر بی متال» نشان‌دهنده قصد خرید و یافتن فروشنده یا مراکز فروش محصول است. 


    تأمین کننده واشر بی متال
    کاربران و کسب‌وکارها که به دنبال همکاری، خرید عمده یا تأمین محصولات هستند، معمولاً به دنبال «تأمین کننده واشر بی متال» می‌گردند.

  2. در میان نتایج جستجو گوگل، صفحاتی از سایت «مدیر خرید» را پیدا کنید که جایگاه خوبی دارند.
  3. شماره تماس خود را دقیقاً در همان صفحات ثبت کنید.

به این ترتیب، مشتریانی که دقیقاً به دنبال تأمین محصول شما هستند، مستقیماً با شما تماس خواهند گرفت.


نکته طلایی:

دیگر نیازی به پرداخت هزینه‌های سنگین طراحی سایت یا سئوی حرفه‌ای نیست.
با استفاده از صفحات آماده و بهینه‌شده «مدیر خرید»، به‌سادگی در صفحه اول گوگل دیده می‌شوید و تماس‌های مستقیم دریافت می‌کنید!

Menu

حساب کاربری

اینستاگرام مدیر خرید

برای ذخیره موارد نشان شده، یک حساب رایگان ایجاد کنید.

Sign in